?

| 參數號碼 | 參數名稱 | 出廠值 [代碼] | 設定值 [代碼] |
|
0-02 |
電機速度單位 |
RPM [0] |
Hz [1] |
|
1-00 |
控制方式選擇 | 開環速度控制 [0] | 閉環過程控制 [3] |
|
3-01 |
參考值反饋單位 |
% [1] |
Bar [5] |
|
3-03 |
最大參考值 |
1500 |
6.0 bar |
|
3-15 |
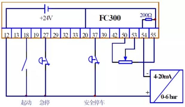
參考來源 1 | 模擬量輸入端子 53 [1] | 模擬量輸入端子 53 [1] |
|
4-12 |
電機速度下限 |
0 Hz |
15 Hz |
|
4-14 |
電機速度上限 |
120 Hz |
50 Hz |
|
6-10 |
端子 53 低電壓 |
0.07 V |
0.07 V |
|
6-11 |
端子 53 高電壓 |
10.0 V |
10.0 V |
|
6-14 |
端子 53 參考/反饋低 |
0 |
0 bar |
|
6-15 |
端子 53 參考/反饋高 |
1500 |
6.0 bar |
|
6-22 |
端子 54 低電流 |
0.14 mA |
4.0 mA |
|
6-23 |
端子 54 高電流 |
20.0 mA |
20.0 mA |
|
6-24 |
端子 54 參考/反饋低 |
0 |
0 bar |
|
6-25 |
端子 54 參考/反饋高 |
1500 |
6.0 bar |
|
6-26 |
端子 54 濾波時間 |
0.001 s |
0.1 s |
|
7-20 |
過程反饋源 1 | 無功能 [0] | 模擬量輸入端子 54 [2] |
|
7-30 |
過程 PID 正常/反向控制 | 正常 [0] | 正常 [0] |
|
7-31 |
過程 PID 防積分飽和 | 開 [1] | 開 [1] |
|
7-32 |
過程 PID 啟動速度 |
0.00 |
15.00 Hz |
|
7-33 |
過程 PID 比例增益 |
0.01 |
0.3 |
|
7-34 |
過程 PID 積分時間 |
Off |
8.0 s |
|
7-35 |
過程 PID 微分時間 |
0 s |
0 s |
|
7-36 |
過程 PID 微分增益極限 |
5.0 |
5.0 |
| 參數號碼 | 參數名稱 | 出廠值 [代碼] | 設定值 [代碼] |
|
3-10.0 |
預置給點 1 |
0 |
100%對于 6Bar |